
Türbänder Serie Sirio, Edelstahl matt und poliert
MWE
395,08 €
Lieferzeit ca. 1-3 Werktage
Produktnummer: DD.3392.P.R
Produktinformationen "Türbänder Serie Sirio, Edelstahl matt und poliert"
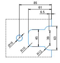
Für Glasstärken 8-10mm, bitte Datenblätter beachten!
Tragkraft 50kg je Paar, maximale Türbreite 1000mm.
Anmelden
Keine Bewertungen gefunden. Teilen Sie Ihre Erfahrungen mit anderen.




